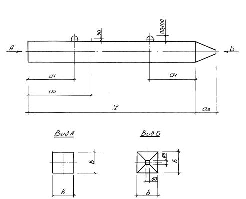
С 60-20-3

Чертеж изделия:
Характеристики изделия:
ПараметрЗначение
длина6000 мм
ширина200 мм
высота200 мм
масса625 кг
нормативный документГОСТ 19804-2012

С 60-20-3 Сваи цельные сплошного квадратного сечения по ГОСТ 19804-2012.