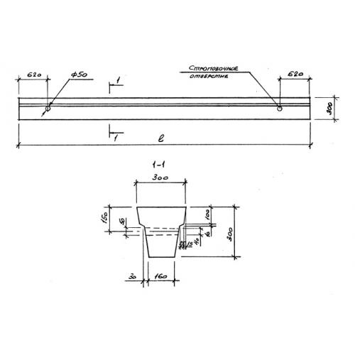
2БФ 60 балки фундаментные
Характеристики изделия:
| Параметр | Значение |
|---|---|
| длина | 5950 мм |
| ширина | 300 мм |
| высота | 300 мм |
| масса | 1000 кг |
| нормативный документ | Серия 1.015.1-1.95 |
Цена:
Рассчитать стоимость2БФ 60 Балки фундаментные Серия 1.015.1-1.95.
| Параметр | Значение |
|---|---|
| длина | 5950 мм |
| ширина | 300 мм |
| высота | 300 мм |
| масса | 1000 кг |
| нормативный документ | Серия 1.015.1-1.95 |
2БФ 60 Балки фундаментные Серия 1.015.1-1.95.
