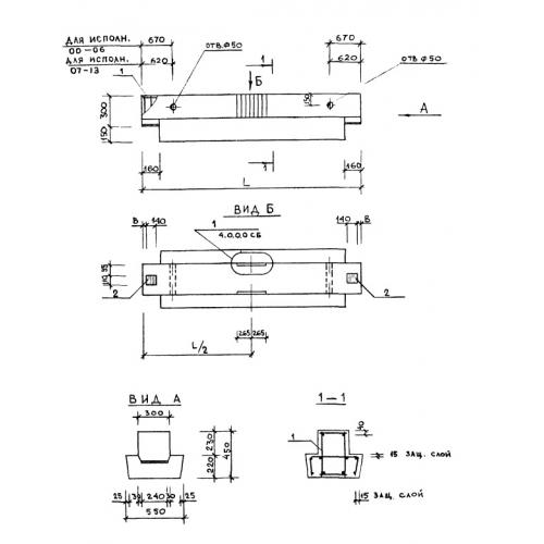
РДП 4.41

Чертеж изделия:
Характеристики изделия:
ПараметрЗначение
длина4060 мм
ширина550 мм
высота450 мм
масса1790 кг
нормативный документСерия 1.020-1

РДП 4.41  Ригели с двумя полками  Серия 1.020-1.