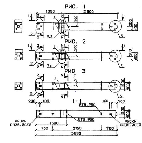
1КНД 4.28
Характеристики изделия:
| Параметр | Значение |
|---|---|
| длина | 3550 мм |
| ширина | 400 мм |
| высота | 700 мм |
| масса | 1700 кг |
| нормативный документ | Серия 1.020.1-3пв |
Цена:
Рассчитать стоимость1КНД 4.28 Колонны нижние двухконсольные Серия 1.020.1-3пв.
| Параметр | Значение |
|---|---|
| длина | 3550 мм |
| ширина | 400 мм |
| высота | 700 мм |
| масса | 1700 кг |
| нормативный документ | Серия 1.020.1-3пв |
1КНД 4.28 Колонны нижние двухконсольные Серия 1.020.1-3пв.