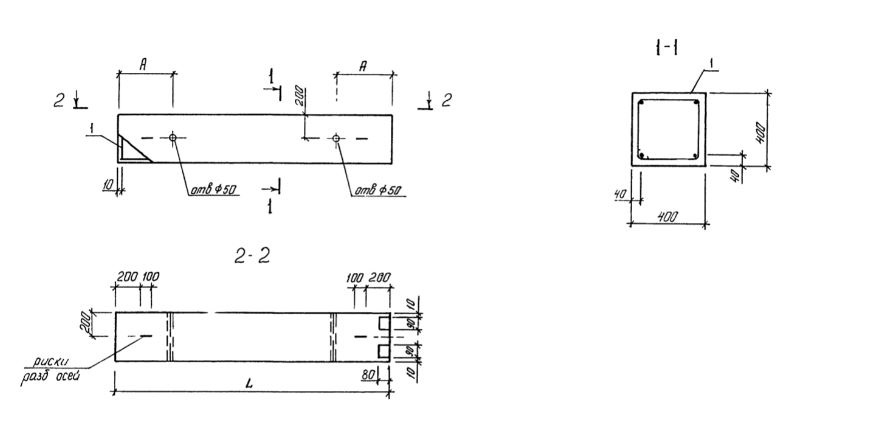
К 4.20

Чертеж изделия:
Характеристики изделия:
ПараметрЗначение
длина1550 мм
ширина400 мм
высота400 мм
масса630 кг
нормативный документСерия 1.020.1-3пв

К 4.20  Колонны Серия 1.020.1-3пв.