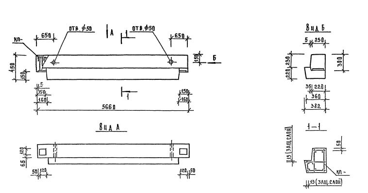
РЛП 4.57 ригели

Чертеж изделия:
Характеристики изделия:
ПараметрЗначение
длина5660 мм
ширина382 мм
высота450 мм
масса1920 кг
нормативный документСерия 1.020.1-7

РЛП 4.57  Ригели (оснащённые  единственной полкой, устанавливаются на лестничных площадках) Серия 1.020.1-7.