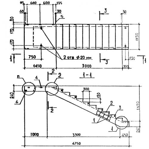
ЛМП 57.11.17 лестничные марши

Чертеж изделия:
Характеристики изделия:
ПараметрЗначение
длина4625 мм
ширина1150 мм
высота1650 мм
масса2100 кг
нормативный документСерия 1.050.1-2

ЛМП 57.11.17  Лестничные марши ребристые с полуплощадками Серия 1.050.1-2.