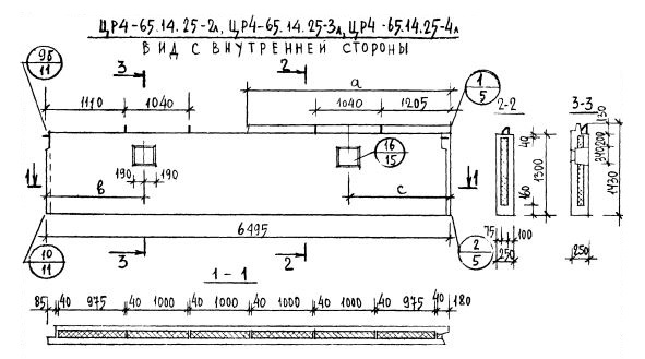
ЦР4-65.14.25-3л
Характеристики изделия:
| Параметр | Значение |
|---|---|
| длина | 6495 мм |
| ширина | 250 мм |
| высота | 1430 мм |
| масса | 4026 кг |
| нормативный документ | Серия 1.117-9 |
Цена:
Рассчитать стоимостьСерия 1.117-9 Панели групп ЦР1, ЦР2, ЦР4, ЦР5 толщиной 250 мм.
ЦР4-65.14.25-3л Панели наружных цокольных стен.
Ц - наружная цокольная стеновая панель;
Р4 - группа изделия- рядовая, группа 4;
Числа после тире характеризуют геометрические размеры цокольной панели (длина, высота - в дециметрах с округлением, толщина - в см).
В несимметричных изделиях правая панель маркировки не имеет, в маркировке "левой" панели проставляется буква "л".
Дополнительный цифровой индекс (после цифр, обозначающих габариты) зависит от длины гребня и его места расположения в марках двухшаговых панелей.