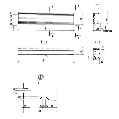
ПВ 51.6.40

Чертеж изделия:
Характеристики изделия:
ПараметрЗначение
длина5070 мм
ширина590 мм
высота400 мм
вес820 кг
серия1.165.1-10

ПВ 51.6.40 Вентилируемые панели покрытия по серии 1.165.1-10.