ОП 2.5-4
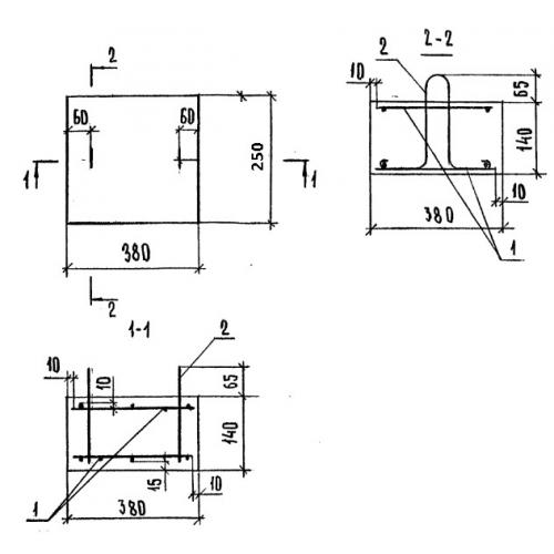
Характеристики изделия:
| Параметр | Значение |
|---|---|
| длина | 380 мм |
| ширина | 250 мм |
| высота | 140 мм |
| масса | 33 кг |
| нормативный документ | Серия 1.869.1-1 |
Цена:
Рассчитать стоимостьОП 2.5-4 Железобетоные опорные подушки Серия 1.869.1-1.
| Параметр | Значение |
|---|---|
| длина | 380 мм |
| ширина | 250 мм |
| высота | 140 мм |
| масса | 33 кг |
| нормативный документ | Серия 1.869.1-1 |
ОП 2.5-4 Железобетоные опорные подушки Серия 1.869.1-1.
