П 10
Характеристики изделия:
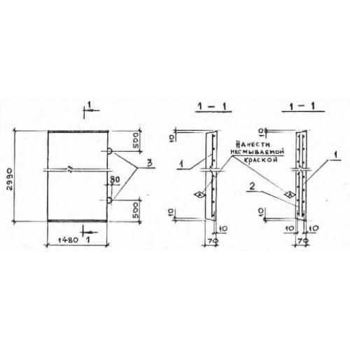
| Параметр | Значение |
|---|---|
| длина | 2990 мм |
| ширина | 1480 мм |
| высота | 70 мм |
| вес | 770 кг |
| серия | 3.006-2 |
Цена:
Рассчитать стоимостьП 10 Плиты перекрытия лотков по серии 3.006-2.
| Параметр | Значение |
|---|---|
| длина | 2990 мм |
| ширина | 1480 мм |
| высота | 70 мм |
| вес | 770 кг |
| серия | 3.006-2 |
П 10 Плиты перекрытия лотков по серии 3.006-2.
