ФМ 5
Характеристики изделия:
| Параметр | Значение |
|---|---|
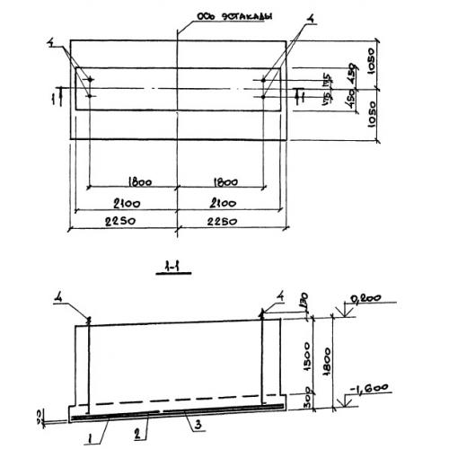
| длина | 4500 мм |
| ширина | 2100 мм |
| высота | 1800 мм |
| вес | 21250 кг |
| серия | 3.015.2-15 |
Цена:
Рассчитать стоимостьФМ 5 Монолитные фундаменты по серии 3.015.2-15.
| Параметр | Значение |
|---|---|
| длина | 4500 мм |
| ширина | 2100 мм |
| высота | 1800 мм |
| вес | 21250 кг |
| серия | 3.015.2-15 |
ФМ 5 Монолитные фундаменты по серии 3.015.2-15.
