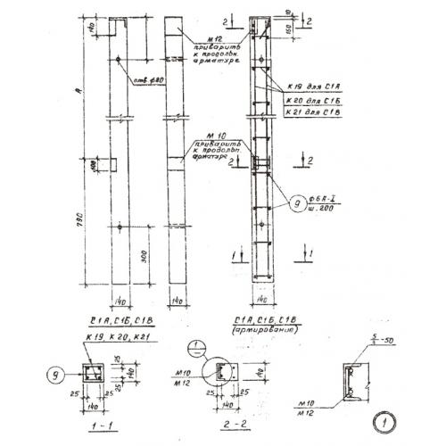
С 1 Б столб забора

Чертеж изделия:
Характеристики изделия:
ПараметрЗначение
длина1990 мм
ширина140 мм
высота140 мм
масса97.5 кг
нормативный документСерия 3.017-1

С 1 Б  Столбы оград Серия 3.017-1.