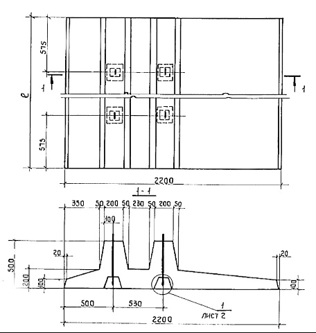
ПФ 1б-1

Чертеж изделия:
Характеристики изделия:
ПараметрЗначение
Длина2200 мм
Ширина1500 мм
Высота500 мм
Масса2000 кг
Нормативный документСерия 3.019.1-1

ПФ 1б-1  Плита фундаментная по Серии 3.019.1-1.