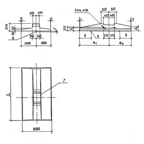
П 2-1.6 Плита

Чертеж изделия:
Характеристики изделия:
ПараметрЗначение
длина1600 мм
ширина2000 мм
высота500 мм
масса1650 кг
нормативный документСерия 3.407.1-144

П 2-1.6 Плиты фундаментов по Серии 3.407.1-144.