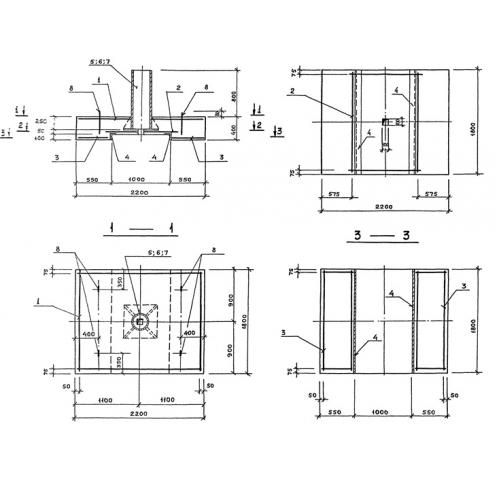
ПЖД 4

Чертеж изделия:
Характеристики изделия:
ПараметрЗначение
длина2200 мм
ширина1800 мм
высота1200 мм
масса3500 кг
нормаивный документСерия 3.407.9-180

ПЖД 4 Подножники Серия 3.407.9-180.