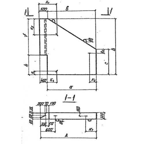
СТ 7 Стенки откосные

Чертеж изделия:
Характеристики изделия:
ПараметрЗначение
длина3220 мм
ширина300 мм
высота3110 мм
масса5400 кг
нормативный документСерия 3.501.1-144

СТ 7  Стенки откосные по Серии 3.501.1-144.