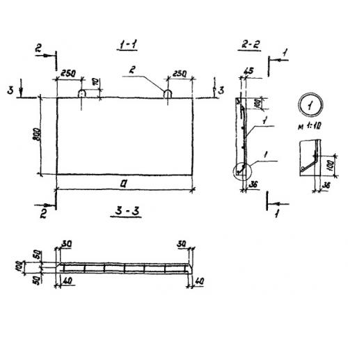
ПС 3

Чертеж изделия:
Характеристики изделия:
ПараметрЗначение
длина2180 мм
ширина800 мм
высота100 мм
вес425 кг
серия3.503.1-75

ПС 3 Плиты заборных стенок по серии 3.503.1-75.