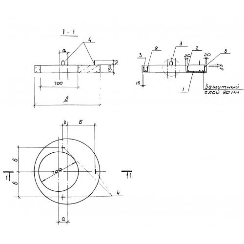
КЦП 10 плита колодца

Чертеж изделия:
Характеристики изделия:
ПараметрЗначение
длина1160 мм
ширина1160 мм
высота150 мм
масса250 кг
нормативный документСерия 3.900.1-14

КЦП 10 Плиты перекрытия колодцев по Серии 3.900.1-14.