НБК-2.6

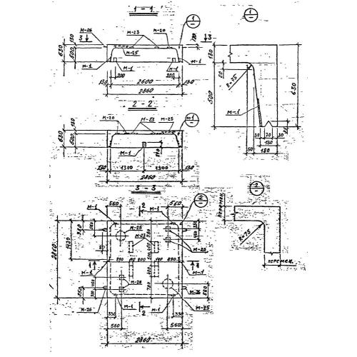
Чертеж изделия:
Характеристики изделия:
ПараметрЗначение
длина2860 мм
ширина2860 мм
высота630 мм
масса4750 кг
нормативный документСерия 3.903 КЛ-13

НБК-2.6 Нижние блоки камер по Серии 3.903 КЛ-13.